Текущее время: Чт окт 09, 2025 6:16 am

Часовой пояс: UTC + 3 часа




Начать новую тему Ответить на тему  [ Сообщений: 23 ]  На страницу Пред.  1, 2
Автор Сообщение
 Заголовок сообщения: Re: ура, форум заработал!!!!
СообщениеДобавлено: Чт май 16, 2013 6:15 pm 
Не в сети

Зарегистрирован: Чт дек 29, 2011 2:26 am
Сообщения: 1217
Откуда: Мурманская область
Спасибо огромное. Как раз снова проблемка вырисовалась. Сейчас задам вопрос в форуме.

_________________
Avensis 2002, 3ZZ-FE,1,6 МКПП, Серебристый седан, 51 регион
Замена 3ZZ на Короловский с пробегом 27000


Вернуться к началу
 Профиль Отправить email  
 
 Заголовок сообщения: Re: ура, форум заработал!!!!
СообщениеДобавлено: Пт май 17, 2013 9:11 pm 
Не в сети

Зарегистрирован: Вт янв 17, 2012 7:44 pm
Сообщения: 170
Откуда: 78 Санкт-Петербург
СПАСИБО!!! :mbounce: :clap: :clap: :clap: :clap: :clap:

_________________
Avensis 1998, 7AFE, sol type, серебристый универсал, 320 тыс.км.


Вернуться к началу
 Профиль Отправить email  
 
 Заголовок сообщения: Re: ура, форум заработал!!!!
СообщениеДобавлено: Пт май 24, 2013 2:02 pm 
Не в сети
Модератор
Аватара пользователя

Зарегистрирован: Пт фев 25, 2011 11:23 pm
Сообщения: 2311
Откуда: 77, Москва
Имя: Артем
Ух ты! Оказывается теперь можно нормально вставлять картинки в посты! Так что, пользуемся!

_________________
Был Avensis T22 3S-GE AT '01 SED. 250+ на приборке (свапы: МКПП -> АКПП и 3S-FE -> 3S-GE), сгорел до тла.
Правила пользования барахолкой | Навигатор по наиболее популярным темам


Вернуться к началу
 Профиль Отправить email  
 
 Заголовок сообщения: Re: ура, форум заработал!!!!
СообщениеДобавлено: Пт май 24, 2013 2:14 pm 
Не в сети
Аватара пользователя

Зарегистрирован: Вт июн 05, 2012 6:40 pm
Сообщения: 511
Откуда: Kotka, Finland
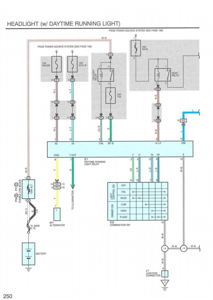
Интересно, так что-ли?
(исключительно тест)
добавляю просто из "добавить файл"


Вложения:
Headlight_with_Daytime_running_light.jpg
Headlight_with_Daytime_running_light.jpg [ 148.26 KiB | Просмотров: 9664 ]

_________________
Была Toyota Carina E 1993 хэтч 4A-FE 1,6л 115л.с. 5МКПП
Стала Toyota Avensis 1998 универсал 4A-FE 1,6л 110л.с. Terra 5МКПП Изображение
Изображение
Вернуться к началу
 Профиль  
 
 Заголовок сообщения: Re: ура, форум заработал!!!!
СообщениеДобавлено: Пт май 24, 2013 2:14 pm 
Не в сети
Аватара пользователя

Зарегистрирован: Вт июн 05, 2012 6:40 pm
Сообщения: 511
Откуда: Kotka, Finland
Круто!
Только теперь надо ограничивать разрешение)))
Но всё равно мега-удобно)))

_________________
Была Toyota Carina E 1993 хэтч 4A-FE 1,6л 115л.с. 5МКПП
Стала Toyota Avensis 1998 универсал 4A-FE 1,6л 110л.с. Terra 5МКПП Изображение
Изображение


Вернуться к началу
 Профиль  
 
 Заголовок сообщения: Re: ура, форум заработал!!!!
СообщениеДобавлено: Пт май 24, 2013 2:43 pm 
Не в сети
Аватара пользователя

Зарегистрирован: Чт май 29, 2008 6:18 pm
Сообщения: 1338
Откуда: Южные степные просторы
Имя: Андрей
А для того, чтобы текст чередовать с картинками, в форме ответа есть еще такая кнопка:
Изображение

_________________
Андрей на Toyota Avensis'97, 7A-FE, LineTerra, МКПП, Лифтбэк,


Вернуться к началу
 Профиль Отправить email  
 
 Заголовок сообщения: Re: ура, форум заработал!!!!
СообщениеДобавлено: Пт май 24, 2013 6:18 pm 
Не в сети
Аватара пользователя

Зарегистрирован: Вт июн 05, 2012 6:40 pm
Сообщения: 511
Откуда: Kotka, Finland
Fidel писал(а):
А для того, чтобы текст чередовать с картинками, в форме ответа есть еще такая кнопка:
Изображение

Прикольно тебе.
Только у меня почему-то нет такой кнопки.
Браузер Хром 27 версии...
И ограничение в 256кБ для файла нынче изуверство)))
Даёшь хотя бы 512кБ!!!

_________________
Была Toyota Carina E 1993 хэтч 4A-FE 1,6л 115л.с. 5МКПП
Стала Toyota Avensis 1998 универсал 4A-FE 1,6л 110л.с. Terra 5МКПП Изображение
Изображение


Вернуться к началу
 Профиль  
 
 Заголовок сообщения: Re: ура, форум заработал!!!!
СообщениеДобавлено: Пт май 24, 2013 7:08 pm 
Не в сети
Аватара пользователя

Зарегистрирован: Чт май 29, 2008 6:18 pm
Сообщения: 1338
Откуда: Южные степные просторы
Имя: Андрей
Цитата:
Только у меня почему-то нет такой кнопки.

Она после закачки файла появляется. У меня тоже Хром в основном.

_________________
Андрей на Toyota Avensis'97, 7A-FE, LineTerra, МКПП, Лифтбэк,


Вернуться к началу
 Профиль Отправить email  
 
Показать сообщения за:  Поле сортировки  
Начать новую тему Ответить на тему  [ Сообщений: 23 ]  На страницу Пред.  1, 2

Часовой пояс: UTC + 3 часа


Кто сейчас на конференции

Сейчас этот форум просматривают: нет зарегистрированных пользователей и гости: 0


Вы не можете начинать темы
Вы не можете отвечать на сообщения
Вы не можете редактировать свои сообщения
Вы не можете удалять свои сообщения
Вы не можете добавлять вложения

Найти:
Перейти:  
cron
Powered by phpBB © 2000, 2002, 2005, 2007 phpBB Group
Русская поддержка phpBB
[ Time : 0.063s | 33 Queries | GZIP : Off ]
./cache/ is NOT writable.