Текущее время: Чт окт 09, 2025 1:37 pm

Часовой пояс: UTC + 3 часа




Начать новую тему Ответить на тему  [ Сообщений: 92 ]  На страницу Пред.  1 ... 3, 4, 5, 6, 7
Автор Сообщение
 Заголовок сообщения: Re: ставить ли проставки под литые диски?
СообщениеДобавлено: Вт июн 18, 2013 8:59 pm 
Не в сети
Аватара пользователя

Зарегистрирован: Пн ноя 02, 2009 10:57 am
Сообщения: 89
Откуда: 43, Киров
Имя: Дмитрий
Александр91 писал(а):
Кто нибудь сталкивался с 7J и вылетом ET45 встанет ?
или ЕТ 42 ?

7J встанет и 42, и 45! у меня 48 стояли норм.
колеса ENKEI R17 7J PCD 5x100 OFFSET +48 резина 215/45/17 всё настоящая Япония.
фото уже постил в ветке R17, еще раз похвастаюсь) - нажмите ссылку в подписи.

ps проставки не ставил, центровочные не ставил, ничего не терло, не било.

_________________
Avensis 2000 1.8 7A-FE, MT, Linea Sol, LiftBack Зелёный


Вернуться к началу
 Профиль  
 
 Заголовок сообщения: Re: ставить ли проставки под литые диски?
СообщениеДобавлено: Пн сен 16, 2013 2:21 pm 
Не в сети
Аватара пользователя

Зарегистрирован: Пн сен 16, 2013 1:10 pm
Сообщения: 225
Откуда: Украина, г.Кам-Подольский
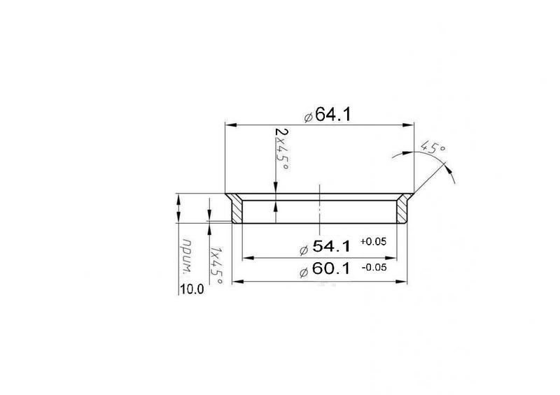
у меня остался 1 комплектик ЦК 54,1-60,1 из авиационного дюралюминия может нужно кому то?


Вложения:
1_cr.jpg
1_cr.jpg [ 59.75 KiB | Просмотров: 2346 ]
54.1-60.1 в наявності.JPG
54.1-60.1 в наявності.JPG [ 15.33 KiB | Просмотров: 2346 ]
Вернуться к началу
 Профиль Отправить email  
 
Показать сообщения за:  Поле сортировки  
Начать новую тему Ответить на тему  [ Сообщений: 92 ]  На страницу Пред.  1 ... 3, 4, 5, 6, 7

Часовой пояс: UTC + 3 часа


Кто сейчас на конференции

Сейчас этот форум просматривают: нет зарегистрированных пользователей и гости: 0


Вы не можете начинать темы
Вы не можете отвечать на сообщения
Вы не можете редактировать свои сообщения
Вы не можете удалять свои сообщения
Вы не можете добавлять вложения

Найти:
Перейти:  
cron
Powered by phpBB © 2000, 2002, 2005, 2007 phpBB Group
Русская поддержка phpBB
[ Time : 0.035s | 33 Queries | GZIP : Off ]
./cache/ is NOT writable.